Comment monter une vraie mayonnaise by Hervé THIS…
Posted: 21 Jul 2021 12:51 AM PDT
Quand on fait de la mayonnaise, on part de jaune d’œuf, de vinaigre, sel, poivre, et l’on ajoute de l’huile en fouettant.
Je ne reviens pas sur le fait que l’utilisation de moutarde conduit à la confection d’une rémoulade et non plus d’une mayonnaise, car je veux en arriver au fait : monter une mayonnaise provoque-t-il une augmentation de volume ?
La réponse et oui, puisque, parti d’un petit volume d’oeuf et de vinaigre, on ajoute de l’huile. Le vague espoir de mauvaise foi de certains cuisiniers est que l’on ajouterait également de l’air, et qu’une mayonnaise bien montée serait foisonnée, c’est-à-dire pas aussi grasse que nos bourrelets ne le supportent.
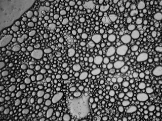
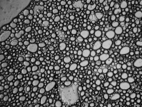
Désolé : l’observation au microscope est absolument sans appel.
Non, il n’y a pas de bulles d’air dans les mayonnaises, mais seulement des gouttelettes d’huile tassées les unes contre les autres dans la phase aqueuse faite du mélange de jaune d’ œuf et de vinaigre.
On ne dira jamais assez qu’une mayonnaise c’est de l’huile, d’abord de l’huile, encore de l’huile. De l’huile déguisée en sauce !
D’ailleurs, si la mayonnaise retombe, alors on voit bien l’huile surnager, et personne ne mangerait cela ! C’est seulement parce que l’huile a été incorporée sous forme d’une sauce onctueuse que l’on se permet de manger de la mayonnaise, mais c’est quand même de l’huile, et pas de l’air.
Pour conclure, monter une mayonnaise, c’est augmenter son volume en dispersion de l’huile dans une phase aqueuse et le fort volume que l’on obtient est un volume d’huile, essentiellement. Un peu d’eau, pas d’air. De l’huile, de l’huile !

THIS Hervé
